您好,欢迎光临2025新澳门原料免费更新官网!
13555571886

无负压变频供水设备

更新时间:2022-05-31 16:30:56 点击次数:16771 次

设备概述

无负压变频供水设备是一种能直接与自来水管网连接、且对自来水管网不产生任何副作用的成套给水设备。他取代了蓄水池的和屋顶水箱,能充分利用自来水管网的压力直接或间接供水,避免了能源的二次浪费和水质的二次污染,大幅度节约了基建投资并缩短了施工工期。传统的供水方式离不开蓄水池中的水一般由自来水管网供给,这样,有压力的水进入水池后变成了零,造成大量的能源白白浪费。

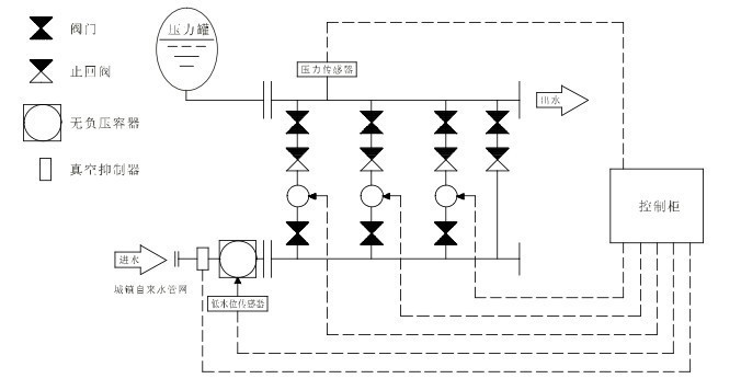
HB系列无负压变频供水设备由智能型变频控制柜、稳流罐、水泵机组、仪表、阀门及管路、基座等组成,适用于一切需要增高水压、恒定流量的给水系统。

产品特点

1、无需建水池、节能、节资;。
2
、安装简便、节省占地面积;

3、运行噪声低;
4
、产品先进,质量可靠,标准化程度高,通用性好;
5
、功能全、智能化程度高,自适应性强;
6
、个性化设计、寿命长;

7、用途广泛、适应性强。

功能特点
1、两种工作方式
   
自动工作方式:自动方式是作为正常供水状态下的一种工作方式。一般来讲,

当客户正常供水后即选定该种方式,在自动方式工作时,一切管网的不同供水要求,都将在无负压供水设备有效的控制之下,进行多种功能的适应工作。
   
手动工作方式:该操作方式是为自动工作方式发生故障时,为用户应急设置的一种工作方式,该工作方式完全采用最简单的启动方式,这种方式在操作面板上直接启停任何一台水泵电机,一般只有在自动失灵或调试的情况下才采用。
2
、容易并入智能化管理系统,主要部件采用优质元件,整套系统具有很高的可

靠性和抗干扰性,其自带的标准串行通讯口(RS485),使得系统与计算机的

通信十分方便。

3、水位保护功能,当水罐水位低于设定水位,系统自动保护停机。液位控制器性能稳定可靠。

4、自动复位功能,停电后复电时或水位恢复时系统自动启动。

5、故障泵屏蔽功能,故障泵屏蔽后直接退出运作程序,由备用泵接替工作。

6、自动保护功能:有过载、过流、短路、缺相、超压、欠压及缺水停机等自动保护功能。

性能范围

1、流量: 1.01000m/h

2、压力: 0.11.6MPa

3、功率: 0.37315kW

4、显示内容:频率、电压、电流、设定压力、出口压力、水泵状态、故障;

5、调节精度: ≤±0.01MPa

6、稳定时间: ≤40s

7、噪声: <水泵定额噪声,同时符合设置地点环境噪声标准;

8、防护等级::控制柜不低于IP20(室内)IP24(室外)

9、启动时间 :电机功率≤22 kW,≤30 s;电机功率>22 kW,≤50 kW,≤40s,电机功率≥55kW,≤55s

设备示意图

 2025新澳门原料免费更新

型号说明

2025新澳门原料免费更新

 

安装与调试
1、设备基础尺寸应按厂家提供的基础图施工,基础砼度不低于150号,(1:2:4 水泥、河 沙、卵石夯制)

   打夯基础时应预留地脚螺栓孔以便保持机组平稳。装斜度不超过5度。

2、设备就位后用水平仪找平,其纵横水平度应小于0.1%
3
、设备安装找平后,用膨胀水泥对基础进行二次灌浆,保养24小时后再进行配管。

4、电机接线后应确认旋转方向,保证与标准箭头一致。

使用与操作

1、设备使用前应盘动水泵转子,应无摩擦,卡滞现象。
2
500V低压摇表检测电机绝缘,应为0.5M以上。
3
、控制仪表及线路无损坏。
4
、全开水泵进口阀,关闭出水口阀,逐一打开泵的排气阀、待液体充满泵腔后
关闭气阀。
5
、将转换开关置于手动位置,空载点动水泵,其运转方向应与标准箭头一致。
6
、手动逐台启停水泵,检查水泵运转无异常现象。

7、电源为TN-S制、35线、380V+10%-15%)、50Hz±5%)、接地电阻小于4欧。

8、工作环境为室内安装使用、0-40℃不冻结、90%RH以下不结露、无腐蚀、易燃、易爆气体。

维护与保养
1设备在投入运行前应对系统进行清理,吹扫,以免杂质进入泵体造成设备损坏。
2、水泵不应在出口阀门全闭的情况下长期运转,也不应该在性能曲线中驼峰处 
运行,更不能空

   运转,当轴封采用盘根密封时允许 有10~20/min的泄漏。
3
、运行时轴承温度不得高于75摄氏度。
4
、水泵在每运行500小时时应对轴承进行一次加油。
5
、设备长期停运应采取必要措施,防止设备玷污和锈蚀,冬季停运应采用防冻,
保暖措施。
6
、运行设备应视水质情况实行前期排污。

应用领域
1、新建、扩建和改造的住宅楼、住宅小区、办公楼、宾馆、饭店等;

2、学校、部队、机关、集体宿舍、医院、商场等用水比较密集场合;
3
、城市自来水压力不能满足消火栓给水系统或自动喷火灭火系统等用水要求的消 防用水;

4、大型工厂、加压泵站、开发区等大流量集中供水;

5、工矿企业的生产、生活用水;

6、各种循环水系统;